アンプを作ろうか?


その3-4 これが、実際の差動増幅回路だ!


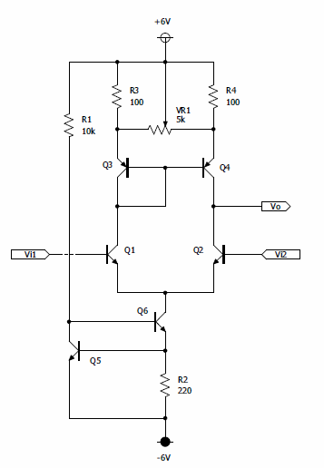
図1 完成した差動増幅回路

前回までの周辺回路を組み込んだ差動増幅回路が図1です。また、 今回から製作する回路と同様に±6[V]の両電源で回路を構成します。 おや?カレントミラー回路に変な抵抗 R3、R4、VR1 がついてますね? これが、素子の特性差を補正するための補正回路です。 カレントミラーに抵抗がつくとどういった動作になるのでしょうか?

(1) バランス調整できるカレントミラー回路

* 2013/01/05 訂正 : すいません思いっきり間違えてました! 恥ずかしい・・・。 何を勘違いしてたのかアホな計算を展開してました⑨すぎるわ! (ただ、動作は変わってませんのでご心配なく・・・)


図2 補正付きカレントミラー回路

図2 のカレントミラー回路の Vb の電圧が等しいことに注目して見ましょう。 Q1 の Vb までの電圧は、Ic1 と R1 による電圧降下が加わりますので、

Vb = Ic1 * R1 + Vbe1

同様に Q2 側は

Vb = Ic2 * R2 + Vbe2

Vb は等しいのですから、

Ic1 * R1 + Vbe1 = Ic2 * R2 + Vbe2
(ここから間違えてました・・・「* と +」を間違えた・・・)

Ic1 について整理すると、

Ic1 * R1 = Ic2 * R2 + Vbe2 - Vbe1
Ic1 = Ic2 * R2 / R1 + (Vbe2 - Vbe1) / R1

まず、「Ic2 * R2 / R1」の項は、R1、R2 を変更することで Ic1 を調整可能であることを表しています。 次に、「(Vbe2 - Vbe1) / R1」の項はトランジスタの特性差が「1 / R1」小さくなるということを表しています。 ちなみに Ic2 も同様に、

Ic2 = Ic1 * R1 / R2 + (Vbe1 - Vbe2) / R2

です。よって、R1、R2 を変更することで、Ic1、Ic2 の電流値を調整できることがわかります。 ところで、R1 = R2 で、素子の特性差がない場合 Vbe1 = Vbe2 を考えますと、 当然ですが Ic1 = Ic2 となり、左右の電流値は完全に一致してバランスします。 これが理想的状態ですが、素子の特性差があると Vbe1 ≠ Vbe2 ですから Ic1 = Ic2 になりません。 そこで、その差を R1、R2 を調整して埋めてあげようというわけです。
また、意図的にカレントミラーのバランスを崩すこともできますよね? これによって差動回路に使用しているトランジスタ Q1、Q2 の特性差も一緒に埋めてしまおう!という作戦です。

さて、実際の R1、R2の調整幅ですが、これは使用するトランジスタ達の特性差にかかってます。 今回使用するようなマッチドペアのトランジスターならば数Ω程度でOKです。 「そんな微少な抵抗の調整とかできないよ!」ですよね・・・ というわけで実用的な調整回路は 図3 のようになるわけです。


図3 微調整するための工夫

トリマ VR1(半固定抵抗器)は中点を境に左右の抵抗値が R1、R2 に並列接続されてますよね? この場合のトリマの回転角度と各抵抗の変化をプロットすると 図4 のようになります。


図4 トリマの回転角と合成抵抗値

中心は非常に緩やかになってますよね? このようにすることで、一般的な1回転のトリマでも十分に調整可能になります。

補足 : この方法は 1個入りオペアンプのオフセット電圧調整と全く同じ方法です。 あと、1回転でも可能ですができれば多回転のトリマを使用した方がいいです。 調整のしやすさが段違いですので。

(2) 基本に戻ってみる

いろいろと変更してきましたので、一番最初の差動増幅回路と比較してみましょう。


図5 基本的な差動増幅回路との比較

どうでしょう?基本的に回路の基本構成は変更されていません。個別の要素が置き換わっただけです。 よって、回路が多少複雑になったからといって、基本を押さえればさほど難しい回路ではないとおわかりいただけるかと思います。

(3) 製作した差動増幅器をオペアンプとして動作させてみる。

さてさて、早速、オペアンプとしての動作を試して見ましょう。図6 はゲイン 2 倍の非反転増幅回路。 図7 はそのシミュレーション結果です。


図6 ゲイン 2倍 で動作させてみる!

図7 シミュレーション結果

あれれ・・・なんかおかしいですよね?サイン波のマイナス側が大きく歪んでいます。 なぜこのようなことになってしまったのでしょうか?

(4) 実は増幅されていない!

なぜこのような状態になったのが調べてみましょう。


図8 入力を -6~6[V] 変化させた場合

図8 をご覧ください、vi1を -5 ~ 5[V] で変化させたときの、Vo の波形です。 負帰還によってゲインは2倍に設定されているわけですが、 どうやら vi1 が -0.65[V] 以下のとき挙動が怪しくなってきているようです。 いったい何が起きているのでしょうか?

カレントミラー回路の説明で、n型トランジスタは「n-p-n」の三層構造になっており、 コレクタ-ベース間が「n-p」方向のダイオード、ベース-エミッタ間が「p-n」方向のダイオードであると説明しました。 ということは、コレクタ電圧がベース電圧よりも 0.65[V] 以下になってしまうと、 コレクタ-ベース間の「n-p」方向のダイオードが ON してしまい、ベースからコレクタへ電流が逆流してしまいます。


図9 実は逆流していた!

図9 左側は -1[V] を入力した場合の主要箇所の電圧を計算してみたものですが、 「ベース電圧 > コレクタ電圧」の状態に陥っていることがわかります。 本来「ベース→エミッタ」で電流が流れる必要があるのですが、 この状態では「ベース→コレクタ」で電流が流れてしまっているので当然増幅はできません。 図9 右側は +1[V] を入力した場合です。どうやら逆流はしないようですね。

(5) 飽和領域、線形領域

では、逆流しなければよいのでしょうか?そうではありません。 逆流する手前でもトランジスタは非常にまずい状態となっています。 ここで、アーリー電圧で使った Vce - Ic 特性が再び登場します。


図10 2SC1815 Vce - Ic 特性

図10 の Vce - Ic 特性を見てください(複数の Ib についてプロットされていますが、 いずれかの Ib に注目すればいいです)。 Vce が大きい部分では、水平とまでいかなくとも水平に近いので出力インピーダンスは大きく理想的な定電流源に近いといえます (前回説明した ro ですね)。 この水平に近い部分を「線形領域」といい、 トランジスタが「Ic = hfe * Ib」の一次関数で Ib と Ic が対応する電流源として動作することを示しています。 よって、トランジスタを増幅素子と使用するためには、線形領域で動作させる必要があると言うことがわかりますね。

次に、Vce をどんどん下げていくと急激に Ic が減少します(ro が減少)。 こうなってしまっては電流源というよりも電圧源といった方がいい動作です。 この領域では「Ic ≠ hfe * Ib」となり電流を線形で増幅できません。この領域を「飽和領域」といいます。


図11 2SC1815 Ib - Ic 特性

「飽和? 線形?」イメージがわかりにくい方は 図11 をご覧ください。 これは、図10 の Vbc - Ic 特性の Ib - Ic に注目してプロットしたものです。 同じ Vce で各 Ib での Ic を比較すると Ib が小さいと Ic は直線状に増加していきますので「線形」です。 どんどん Ib を増やしていくと Ic は全然増えなくなります。これが「飽和」です。

補足 : ちなみにトランジスタをスイッチとして使用する場合は、飽和させて使用することになります。

まとめると、

・ Ic が大きくなりすぎると飽和する。
・ Vceが小さすぎると飽和する(飽和しているときは コレクタ電圧 < ベース電圧 ですね)。

もちろんスイッチが切り替わるように線形領域と飽和領域が切り替わるわけではなく徐々に移行していくわけで、 曖昧な領域が存在しますので飽和領域に近い状態での動作は避けるべきですね。 この回路の Ic は 1[mA]と別段高くもないので線形領域で動作させるためには Vce が小さすぎるとです。 出力 Vo つまり Q2 のコレクタ電圧ですが、これを電源電圧近くへ持って行ければ Q2 の Vce は大きくなりますから、 逆流せず、かつ線形領域で動作しそうです。さて、なにかうまい手はあるのでしょうか?

次回はエミッタ接地回路についてです。