その3 案外行けるんじゃね?
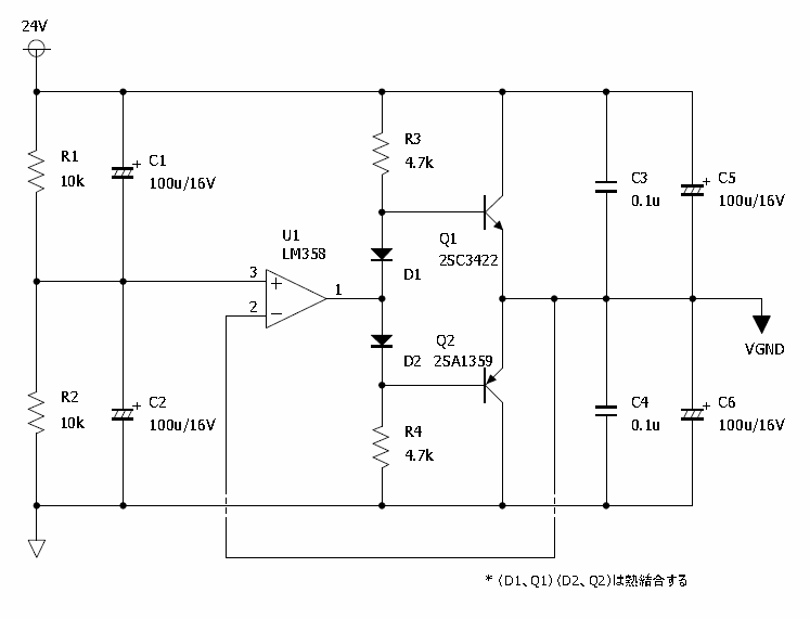
とりあえず何か負荷をかけないと話にならないので、簡単なパワーアンプを試作して適当な負荷を駆動します。 そして、そのときの「LM358の+端子(抵抗分割の中点)」と「仮想グランド(バッファ出力)」の様子を見ることにしました。
電源を直接見ても良いのですが、電源電圧が変動すると当然ですが抵抗分割されている中点も動いてしまうので、 まずは使用する電源、基準電圧源の品質を切り離してバッファとしての評価したいと思います。 ちなみに、今回アンプ部に使用したのはパワーオペアンプ「LM675T」です。負荷は33Ωとヘッドホンを意識してます。

入力1[kHz]のサイン波を加え、出力を4[Vpp]、8[Vpp]にしたときの、 抵抗分割された中点の電位(バッファ入力)と、仮想グランド(バッファ出力)の波形です。 33[Ω]負荷なので60[mApp]、120[mApp]となります。前回は直流でしたが、 今回は交流のため 120[mApp]でも何とかなるくらいの発熱でした。

出力 4[Vpp]

出力 8[Vpp]
・まず、電源が出力に振られて中点の電位が振れています。
今回使用したのは、秋月のスイッチングACアダプター 12V/0.2A でしたのでちょっと負荷が重いんですかねぇ・・・。
・仮想グランドですが、3~5[mV] の差はありますが中点電位へ仮想グランドが追従している様子がわかります。
・ちょっと意外なのはノイズが案外少ないことです。秋月のスイッチングACアダプターって結構優秀ですなw
次に、どのくらい秋月のアダプターが影響うけているかですが、結構壮絶なものがありますねw まあ、0.2[A]以上のアダプターならばもうちょいましになるのかな?

出力 4[Vpp]

出力 8[Vpp]
勘のいい人は、中点の電位に対して Vcc の振れが大きいのに気づきましたか? まあ、0.1[V]も振れるんだもんな・・・ これは、中点電位を生成している抵抗にパラレルに接続されているC1、C2の影響です。

C1, C2 がある状態

C1, C2 を取り外した状態
ね?ちゃんと1/2になってるでしょ? パスコンは重要ですな・・・もう少しコンデンサ盛った方が良いかもしれませんね。
うーん、仮想グランドというよりも電源電圧の変動がもろに出ているのがわかりましたね。 まあ、今回の結果から次回作には使えると判断します。 今回はテストと言うことで120[mA]も出力振りましたが、仮想グランドの変動は13[mV]でした。 これで使用できる用途ならOKということですね。
結局のところ電源品質、基準電圧源の品質、バッファの品質、総合的に見る必要があるてことですね。 この回路のバッファ部分を LME49600 にしたところで大きくこの結果は変わないと思いますし、 今回の回路にしても、LME49600 にしても、あくまでバッファなのですから、結局のところ電源品質を高めることが一番ですね。
打倒 LME49600 の 550円!は成功じゃね?w
12[V]/2[A] のアダプターがあるのを思いだしたのでやってみましたよ!
なかなか、行けるんでないか!?w

左が 12V/2A、右が 24V/0.2A 大きさが全然違うな・・・w

出力 4[Vpp]

出力 8[Vpp]
と比較しますと仮想グランドの電圧が
| 4[Vpp] | 8[Vpp] | |
|---|---|---|
| 24[V]/0.2[A]のアダプター | 8[mV] | 13[mV] |
| 12[V]/2[A] のアダプターダイオード | 2.2[mV] | 4.4[mV] |
と、劇的に特性が上がりました。
あと、スイッチングノイズがほとんど無いですな・・・やっぱり、電源はだいじですね。
これなら、ヘッドホンアンプとかにも普通に使えそうです。
OPA2134 で CMoy アンプを作ってみました。 せっかくの強力な仮想グランドなんで、全てのグランドを仮想グランドにしたらどうなる? という実験もしてみたかったんです。

ブレットボードで視聴してるところw
ヘッドホンってせいぜい100~200[mV]低度なんで、今まで実験してきたことに比べればすごい負荷が軽いんですよね。 一応、発振していないかの確認のつもりで、同じようなチェックをしてみました。

入力 1[kHz] のときの出力(負荷はヘッドホン)と仮想GNDの変動

入力 10[kHz] のときの出力(負荷はヘッドホン)と仮想GNDの変動

入力 10[kHz] のときの出力(負荷はヘッドホン)と仮想GNDの変動
まあ、グランドの振れというか電源のノイズですね、10[kHz]で10[kHz]に同期した出力の振れがわずかに見られますが、0.5[mV]程度です。 それより、嬉しいのは仮想グランドからグランド取ってるので、ポップ音が電源OFF時にわずかに出るくらいってことですな。 電源投入時には、ほとんどというか聞こえない。
え? 音?
まあ、音響部品(笑)のくそ耳の俺には普通に聞こえる。
CMoy アンプって初めて聴いたけど、あまりに普通に鳴るんで驚きだわw